Otočová ložiska
Otočová ložiska
Otočová ložiska
Otočová ložiska
Otočová ložiska
Dodáváme ložiska v široké nabídce provedení a rozměrů:
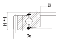
- s vnějším průměrem od 300 mm do 3000 mm
- s vnějším nebo vnitřním ozubením, bez ozubení
Navíc podle typu zatížení jsou k dispozici:
- ložiska s jednou řadou kuliček
- ložiska s dvěma řadami kuliček
- ložiska s jednou řadou válečků
Materiály jsou dostupné podle přání zákazníka a dle standardů trhu. Aplikace: letecké generátory, navijáky, nápravy, mobilní jeřáby, automatizace, nakladače, portálové jeřáby, lodní přívěsy, vyprošťovací vozy, rypadla, přístavní jeřáby, lodní jeřáby, stavební jeřáby, polyuretanové vstřikovací systémy, perforační systémy, svářecí systémy, systémy čištění vody, výstavnictví, lesnické stroje, potravinářské stroje, multifunkční stroje, řezačky mramoru, balící stroje, paletizační stroje, vstupní platformy, betonová čerpadla, robotické stroje, ložiskové skupiny, rozprašovače, kolové nakladače, atd.

1 řada kuliček - vnější ozubení

2 řady kuliček - vnější ozubení

1 řada válečků - vnější ozubení

1 řada kuliček - vnitřní ozubení

2 řady kuliček - vnitřní ozubení

1 řada válečků - vnitřní ozubení

1 řada kuliček - bez ozubení

2 řady kuliček - bez ozubení

1 řada válečků - bez ozubení